瑜伽老师的绣感,村长路边养生美容院1000,杏吧有你;春暖花开
无锡金田电子有限公司
首页
+
关于我们
公司概况
公司文化
新闻中心
人才招聘
+
产品中心
工控
传动
气动
+
服务与支持
FAQ
售后服务
资料下载
+
联系我们
联系方法
子公司信息
业务咨询
意见反馈
所在位置:
首页
-
产品中心
-
气动
气动
工控
传动
气动
返回
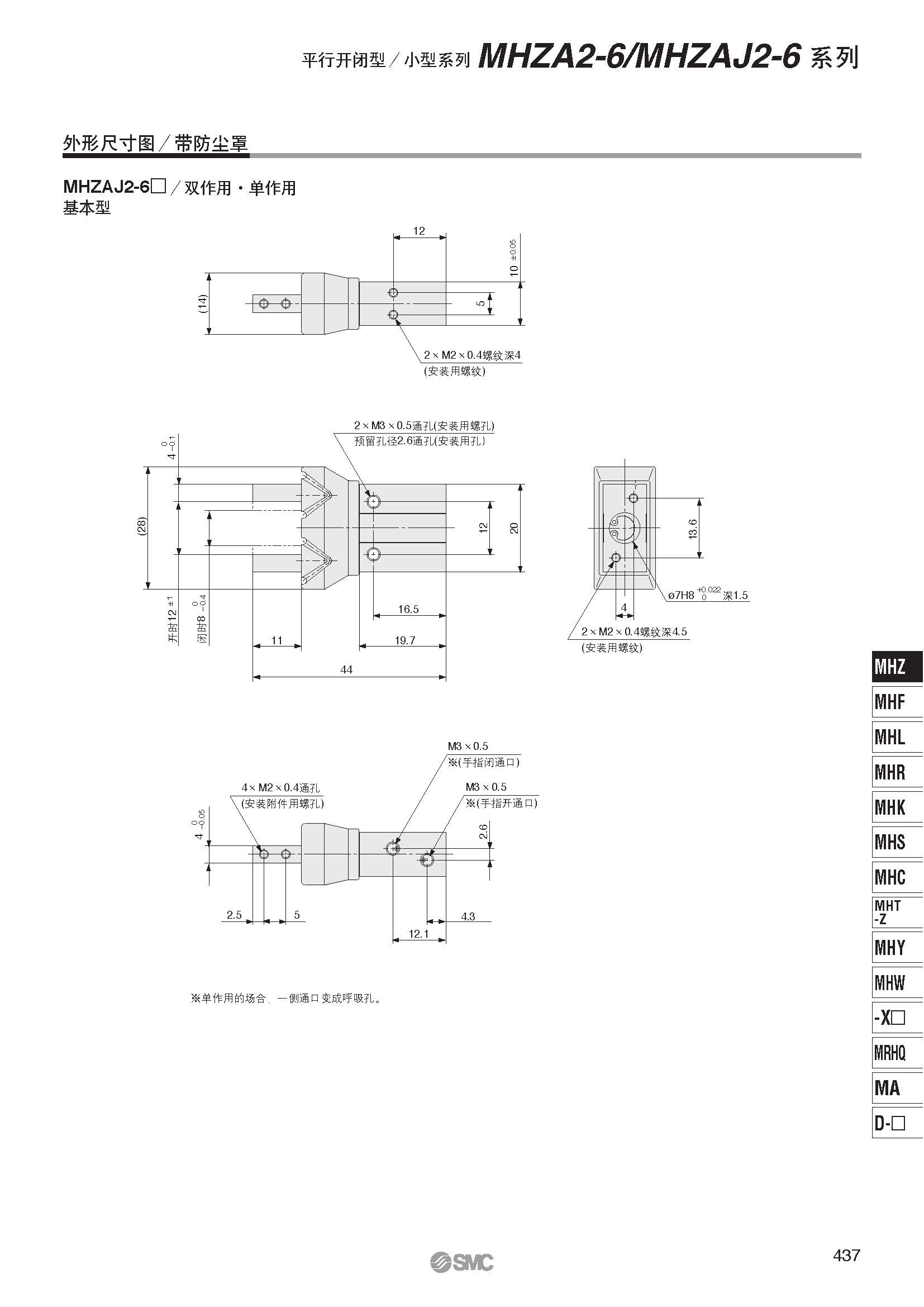
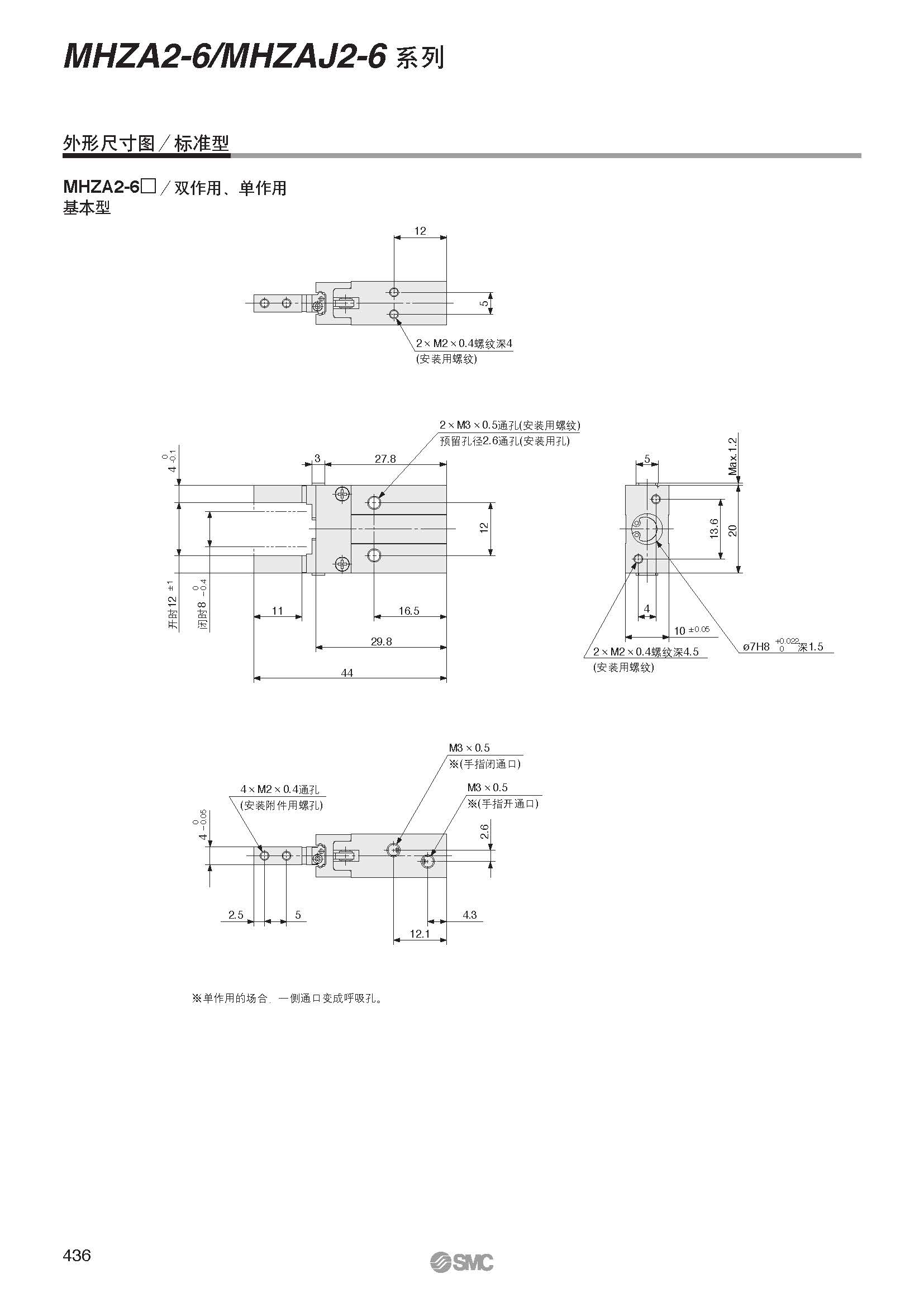
直线导轨平行移动型气爪 MHZ2
执行元件
我要咨询
产品特点:
·
采用直线导轨,高刚性、高精度
· 防尘、防滴构造
· 可选择防尘罩材质
产品概览
技术参数
尺寸图
相关资料下载
名称
说明
下载
直线导轨平行移动型气爪 MHZ2系列样本
X
客服(小封)
客服(小蒋)
在线客服
主站蜘蛛池模板:
揭阳市
|
深州市
|
南召县
|
同德县
|
肥乡县
|
吉首市
|
金秀
|
芜湖市
|
江源县
|
长顺县
|
景宁
|
习水县
|
绍兴市
|
邹平县
|
祥云县
|
敖汉旗
|
五大连池市
|
行唐县
|
兴和县
|
积石山
|
永寿县
|
浦城县
|
怀仁县
|
沙雅县
|
增城市
|
普陀区
|
桐柏县
|
和平县
|
西畴县
|
高州市
|
潼南县
|
唐海县
|
肃北
|
鸡泽县
|
米易县
|
贺州市
|
札达县
|
邳州市
|
泸西县
|
双江
|
林甸县
|