瑜伽老师的绣感,村长路边养生美容院1000,杏吧有你;春暖花开

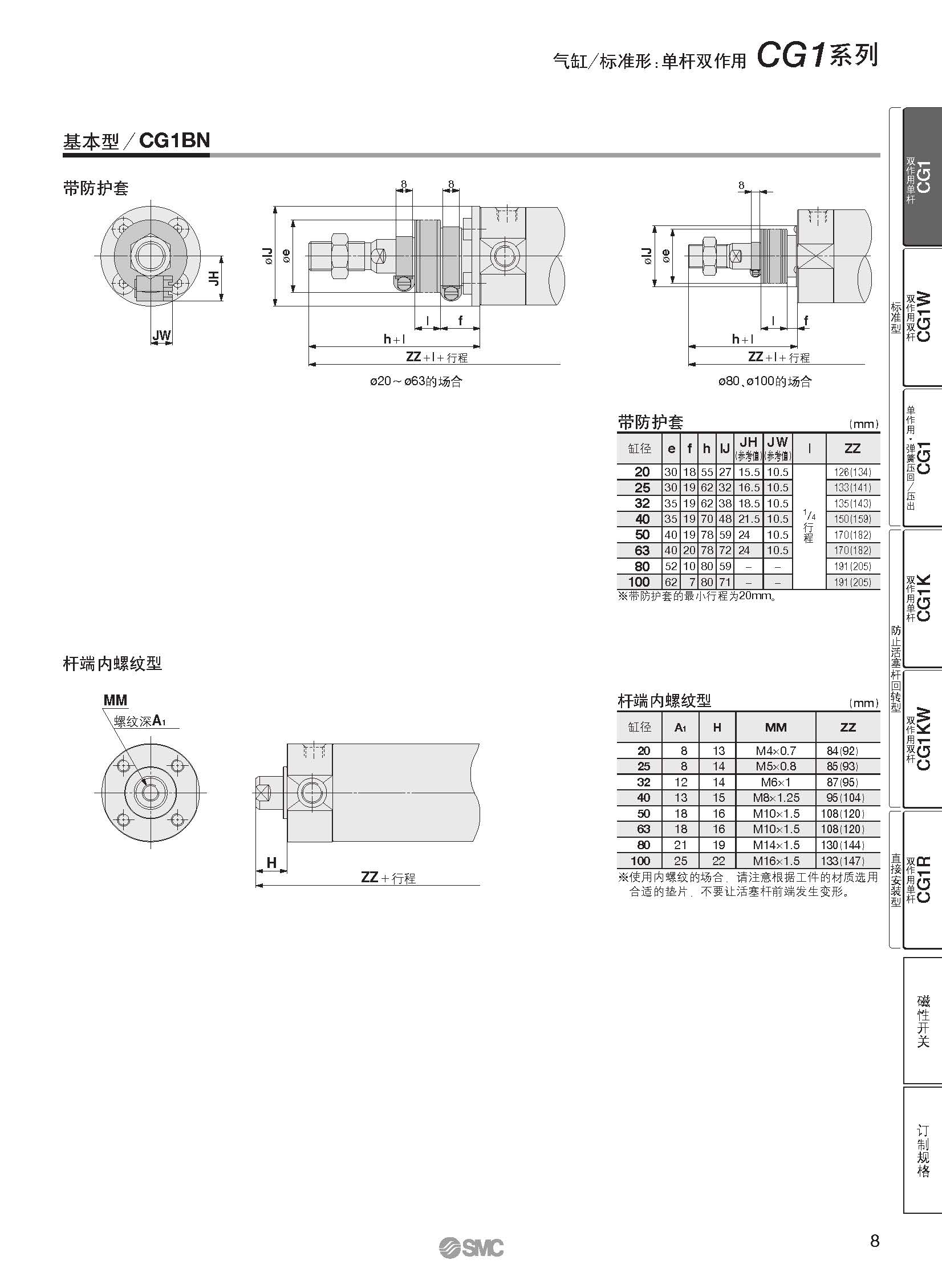
气缸 CG1/CDG1-Z

执行元件

我要咨询

产品特点:

· 杆端内螺纹标准化
· 磁性开关可操作性提高,易于调整位置
· 基本型中追加无耳轴安装用螺孔型
· 设定了杆端安装件、摆动底座安装件的型号(节省分别订购气缸和安装件的时间)
· 带磁性开关 (CDG1-Z系列: CDG1,CDG1W,CDG1K,CDG1KW,CDG1R,CDG1KR,CDBG1)

  • 产品概览
  • 技术参数
  • 尺寸图
  • 相关资料下载




  • 名称
  • 说明
  • 下载

在线客服
主站蜘蛛池模板: 洪泽县| 定兴县| 石嘴山市| 保定市| 沧州市| 上饶市| 巴中市| 屯昌县| 惠安县| 汾西县| 维西| 安阳县| 兰西县| 松滋市| 阳原县| 青河县| 晋城| 柞水县| 阿克| 中宁县| 晴隆县| 辉县市| 宁德市| 佛教| 厦门市| 黑水县| 靖安县| 阿克陶县| 化隆| 彰化县| 石家庄市| 高青县| 华阴市| 靖西县| 舒兰市| 库伦旗| 当涂县| 张北县| 福建省| 宁明县| 民丰县|